Casa> Lista de Produto> Dispositivos de módulo de semicondutores> Módulos de energia inteligentes (IPM)> 600V 20A módulo de energia inteligente BIP60020G-B
600V 20A módulo de energia inteligente BIP60020G-B
600V 20A módulo de energia inteligente BIP60020G-B
600V 20A módulo de energia inteligente BIP60020G-B
600V 20A módulo de energia inteligente BIP60020G-B
600V 20A módulo de energia inteligente BIP60020G-B
600V 20A módulo de energia inteligente BIP60020G-B

600V 20A módulo de energia inteligente BIP60020G-B

Quantidade de pedido mínimo:1

Descrição do produto
Atributos do produto

ModeloBIP60020G-B

VCES600V

IC (TC = 25 ℃)20a

ICP (colecionador De Corrente)40A

TJ-40~+150℃

VISO1500VRMS

PackageBIP25-3824

VCE (SAT)@IC = 20A, TJ = 25 ℃ Tip1.7V

VCE (SAT)@IC = 20A, TJ = 25 ℃ MAX2.2V

Embalagem & Entrega
600V 20A Módulos de energia inteligente (IPM)
Módulo IPM- BIP60020G-B
Descrição geral
O BIP60020G-B é um módulo de potência inteligente avançado que possui recentemente desenvolvido e projetado, para fornecer um desempenho muito compacto e de alto desempenho, pois os drivers de motor CA direcionam principalmente aplicativos de inversor de baixa potência, como ar condicionado e máquina de lavar. Combina proteção otimizada e unidade correspondida a IGBT de baixa perda. A confiabilidade do sistema é ainda mais aprimorada pelo bloqueio de menor tensão integrado e proteção excessiva. O HVIC integrado de alta velocidade fornece capacidade de condução de portão IGBT de suprimento único de combate a opto-acoplador que reduz ainda mais o tamanho geral do design do sistema de inversor. Cada corrente de fase do inversor pode ser monitorada separadamente devido aos terminais CC negativos divididos.
Características
Adota DBC com baixo projeto de resistência térmica
600V 20A IGBT IGBT Bridge, incluindo ICS de controle para direção e proteção do portão
Os terminais negativos divididos de CC-Link para aplicações de detecção de corrente inversora
Fonte de alimentação de um único piloto devido ao Diodo HVIC e Bootstrap integrado
Sair da temperatura LVIC por sinal analógico
Aplicações
Drive de inversor trifásico para pequeno controle de motor CA de energia
Aplicações de eletrodomésticos como ar condicionado e máquina de lavar
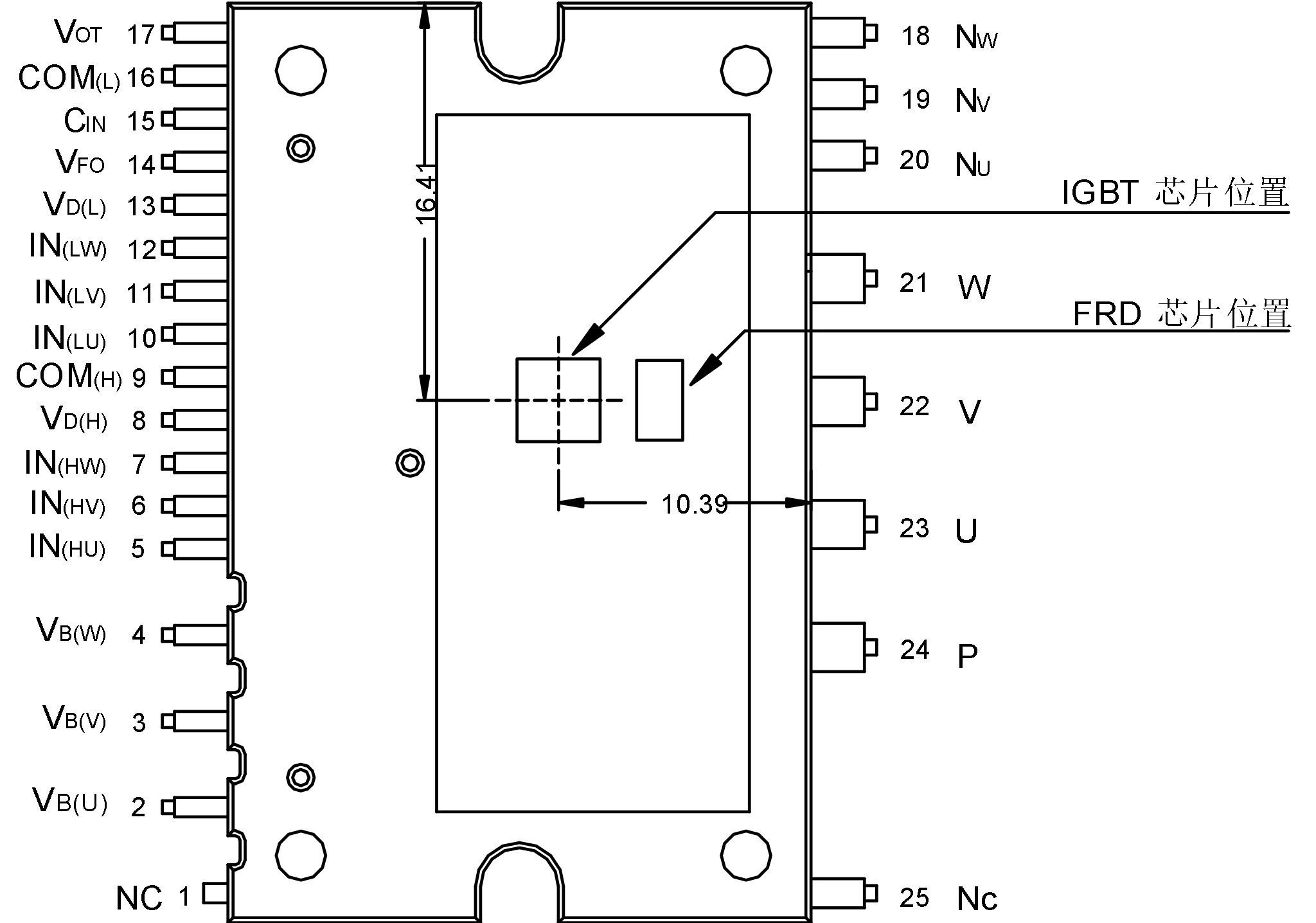
Configuração do pino
BIP60020G-B.Pin Configuration

* Módulo de energia inteligente (IPM) é um módulo de eletrônica de potência altamente integrado, um tipo de dispositivo semicondutor. Ele monoliticamente empacota dispositivos de comutação de energia (como IGBTS ou MOSFETs), um circuito de acionamento, circuitos de proteção (incluindo excesso de corrente, super-temperatura e proteção contra bloqueio de tensão) e circuitos de interface (como mudança de nível e saída de sinal de falha) em uma única unidade física compacta. O núcleo de sua "inteligência" está nos recursos de proteção integrados que podem responder rapidamente a condições anormais (por exemplo, curto-circuito, superaquecimento), desligam automaticamente os dispositivos de energia e produzem um sinal de falha, aumentando significativamente a confiabilidade e a segurança do sistema.

Produtos quentes
Casa> Lista de Produto> Dispositivos de módulo de semicondutores> Módulos de energia inteligentes (IPM)> 600V 20A módulo de energia inteligente BIP60020G-B
  • Enviar Inquérito

Copyright © 2026 Guangdong Kinwill Electronic Co., LtdTodos os direitos reservados.

Enviar Inquérito
*
*
*

We will contact you immediately

Fill in more information so that we can get in touch with you faster

Privacy statement: Your privacy is very important to Us. Our company promises not to disclose your personal information to any external company with out your explicit permission.

enviar