
Privacy statement: Your privacy is very important to Us. Our company promises not to disclose your personal information to any external company with out your explicit permission.
A TrendForce (uma empresa de pesquisa e consultoria): impulsionada pela temporada de pico de vendas e pelo lançamento de novos modelos, a produção de smartphones no terceiro trimestre de 2024 aumentou 7% em comparação com o trimestre anterior. De acordo com a última pesquisa da Trendforce, no terceiro trimestre de 2024, coincide com a temporada de pico para as vendas de smartphones. Com as principais marcas lançando sucessivamente novos modelos, a produção total aumentou 7% no trimestre,...
TrendForce (uma empresa de pesquisa): o servidor DRAM e o HBM impulsionaram a receita do setor de DRAM para aumentar 13,6% trimestre no trimestre no terceiro trimestre de 2024. De acordo com a pesquisa mais recente da Trendforce, a receita do setor de DRAM (memória) no terceiro trimestre de 2024 foi de 26,02 bilhões de dólares, um aumento de 13,6% ano a ano. Devido à redução do estoque pelos fabricantes de dispositivos móveis chineses e à expansão da produção por alguns fornecedores de DRAM,...
TrendForce (uma empresa de pesquisa e consultoria): perspectiva de demanda fraca, estoque crescente e oferta. Espera -se que os preços da DRAM diminuam em 2025. O quarto trimestre é um período crucial para a indústria de DRAM em termos de preços do contrato. De acordo com a pesquisa mais recente da Trendforce, os produtos DDR4 e LPDDR4X mais maduros, devido à oferta abundante e à demanda enfraquecida, já mostraram uma tendência de queda nos preços. As perspectivas de demanda para processos...
650V Gen.7 IGBT "V" Series Introdução ao produto
Os novos produtos IGBT da série Jieng 650v Gen.7 são baseados na tecnologia de corte de canais de micro-groove, que pode aumentar significativamente a densidade da estrutura celular dos dispositivos. Ao adotar o design de armazenamento de transportadora, o design da camada de buffer multi-gradiente e o design da região de deriva ultrafina, a densidade de corrente dos dispositivos é bastante aprimorada. Ao mesmo tempo, as características de comutação dos dispositivos foram otimizadas,...
Trendforce (uma empresa de pesquisa e consultoria): SK Hynix foi a primeira a lançar o produto HBM3E 16HI, elevando o limite superior da capacidade de bits. A SK Hynix divulgou recentemente no SK AI Summit 2024 que está desenvolvendo o produto HBM3E 16HI. Cada chip HBM tem uma capacidade de 48 GB e deve ser entregue no primeiro semestre de 2025. De acordo com as pesquisas mais recentes do Trendforce, os aplicativos potenciais deste novo produto incluem asics desenvolvidos pelos CSPs...
Relatório Semi: As remessas globais de wafer de silício aumentaram 6% no terceiro trimestre de 2024
Em 12 de novembro de 2024, o horário da Califórnia nos Estados Unidos, de acordo com o mais recente relatório de análise trimestral sobre as bolachas de silício divulgadas pelo Silicon Manufacturers Group (SMG) sob semi, no terceiro trimestre de 2024, as remessas globais de silicone aumentaram. Li Chongwei, presidente da Semi SMG e vice -presidente da GlobalWafers, afirmou: "As remessas de bolacha de silício no terceiro trimestre continuaram a tendência ascendente que começou no segundo...
A TrendForce, uma empresa de pesquisa de mercado, afirmou que a receita total do mercado global de módulos de DRAM atingiu 12,5 bilhões de dólares em 2023, com um declínio ano a ano de 28%. O principal motivo foi que os eletrônicos de consumo entraram no período de redução do inventário após a pandemia, fazendo com que os preços dos produtos DRAM caíssem. A alta estratégia da taxa de produção dos fabricantes originais exacerbou ainda mais o declínio dos preços, e foi somente na segunda metade...
Com o aumento esperado da produção de bits DRAM em 2025, os fornecedores precisam planejar cuidadosamente sua capacidade de produção para manter a lucratividade. A indústria da DRAM experimentou redução de estoque e recuperação de preços nos três primeiros trimestres de 2024, mas o momento do preço enfraqueceu no quarto trimestre. Wu Yating, vice -presidente de pesquisa sênior da Trendforce, disse que, devido a alguns fornecedores que planejam expandir a capacidade de produção após obter lucros...
Califórnia, EUA, 4 de setembro de 2024-A semi-anunciada em seu "Estatísticas do mercado de equipamentos de semicondutores em todo o mundo (WWSEMS) relatam" que, no segundo trimestre de 2024, as remessas globais de equipamentos de semicondutores aumentaram 4% em relação ao ano anterior, atingindo US $ 26,8 bilhões. Comparado com o mesmo período do ano passado, houve um pequeno aumento de 1%. Ajit Manocha, presidente e CEO da Semi, afirmou: "No primeiro semestre de 2024, o valor...
Em 9 de julho de 2024, na Califórnia, nos Estados Unidos, a Semi divulgou a "previsão total de equipamentos semicondutores no meio do ano" em perspectiva OEM "em Semicon West 2024. O relatório indica que o total de vendas totais de semicondutores de fabricação de equipamentos de equipamentos originais deve ter um novo recorde do setor, que atinge 109 bilhões de dólares em 2024. Espera-se que o equipamento de fabricação de semicondutores continue a crescer em 2025, impulsionado...
Os produtos Power 3A da série 1500V e 1700V
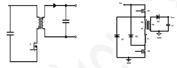
In the auxiliary power supply of a frequency converter or a photovoltaic inverter, the main function of the auxiliary power supply is to reduce the DC high voltage and supply power to the driver IC, main control MCU, communication module chips, etc. Taking a frequency converter with a 380V system as an example, since the auxiliary power supply takes in power after 380V rectification, and the rectified and filtered voltage is generally around 550V, a fonte de alimentação auxiliar do conversor de...
On May 14, 2024, California time in the United States, SEMI, in collaboration with TechInsights, compiled the "Semiconductor Manufacturing Monitor (SMM) Report for the First Quarter of 2024", which indicated that with the increase in sales of the electronic sector, the stability of inventory, and the expansion of wafer factory capacity, there were signs of improvement in the global semiconductor manufacturing industry in the first quarter of 2024. It Espera -se que o crescimento da...
Relatório semi: Remessas globais de wafer de silício e declínio de vendas em 2023
Em 7 de fevereiro de 2024, às 9:00, horário do Pacífico, na Califórnia, o Semi Silicon Manufacturers Group (SMG) divulgou sua análise anual da indústria de silício H, relatando que as remessas globais de silício de silício diminuíram 12 broto. O motivo desse declínio é a desaceleração da demanda de terminais e ajuste de inventário. A fraca demanda por memória e lógica levou a uma redução nas ordens para as bolachas de 12 polegadas, enquanto o uso enfraquecido de fundições e analógicos resultou...
Em 2 de janeiro de 2024, o horário da Califórnia nos Estados Unidos, anunciado em seu mais recente relatório trimestral de "World Fab Previde" que, após a capacidade de produção mensal de wafer mensal global (WPM), aumentou 5,5%, para 29,6 milhões de peças em 2023, é esperado que ele aumente em 6,4% em 2024, em 2020 milhões de peças em 2023. O crescimento em 2024 será impulsionado pelas tecnologias avançadas de lógica e fundição, juntamente com a expansão da capacidade em aplicações...
Em 12 de dezembro de 2023, Tóquio, o semi divulgou a "previsão total de equipamentos de semicondutores no final do ano-perspectiva do OEM" no Semicon Japan 2023. O relatório afirma que o total de vendas totais de semicondutores de fabricação de equipamentos de US $ 20. O equipamento de fabricação de semicondutores retomará o crescimento em 2024, impulsionado pelos mercados front-end e back-end, e as vendas devem atingir uma nova alta de 124 bilhões de dólares em 2025. Ajit Manocha,...
On November 30, 2023, in the "Worldwide Semiconductor Equipment Market Statistics (WWSEMS) Report" released by SEMI, it was announced that in the third quarter of 2023, the global semiconductor equipment shipment amount decreased by 11% compared to the same period last year, reaching 25.6 billion US dollars, and it dropped by 1% compared to the previous quarter. Ajit Manocha, presidente e CEO da Semi, disse: "Devido à fraca demanda por chips, o valor da remessa de equipamentos...
Em 26 de outubro de 2023, em seu relatório anual de previsão de remessa de silício, semi -apontou que, devido à fraqueza contínua na demanda de semicondutores e à situação macroeconômica, o volume global de remessa de bolacha de silício deve diminuir a polegada em 2022, em 2023, com 1,456 milhão de polegadas quadradas. À medida que a demanda por bolachas e semicondutores se recupera e os níveis de estoque normalizam, o volume global de remessa de wafer de silício deve se recuperar em 2024. Com...
Em 19 de setembro de 2023, Califórnia, EUA, semi lançou o "Relatório de Planta de Wafer de 200mm de 200mm" (Outlook Fab Fab 200mm para 2026), que indicou que, de 2023 a 2026, a capacidade de produção de 200 mm de alojamento de alojamento de 200 milhões de semicondutores (exclusão de 7 milhões de fabricantes de semicondutores foi esperado em 14%, com 12 novas milhões de alojamento de 200mm (Moll Moll Mollhas Historacing, de 7º de alojamento (exclusão de 7 milhões de produtos de...
Em 12 de setembro de 2023, em seu mais recente relatório trimestral de "World Fab Prevision", a Semi anunciou que espera que os gastos globais de equipamentos de plantas de wafer diminuam 15% em 2023 em comparação com 2022, caindo da alta histórica de US $ 99,5 bilhões para US $ 84 bilhões. Em 2024, é projetado para se recuperar de 15%, a US $ 97 bilhões. O declínio em 2023 é atribuído à demanda fraca de chips e aumento do inventário em dispositivos de consumidores e móveis. A...
Em 6 de setembro de 2023, na Califórnia, EUA, anunciados em seu "Estatística do mercado de equipamentos de semicondutores em todo o mundo (WWSEMS) relatam" que o valor da remessa global de equipamentos de semicondutores no segundo trimestre de 2023 foi de 25,8 bilhões de dólares, uma queda anterior em comparação com o mesmo período do ano passado e uma queda de 4% em comparação com 4%. Ajit Manocha, presidente e CEO da Semi, disse: "Embora ainda haja incerteza na macroeconomia no...
Em 13 de junho de 2023, o horário da Califórnia nos Estados Unidos, semi -declarado em sua "assinatura de dados do mercado de materiais" (MMDS), relatam hoje que as vendas globais do mercado de materiais semicondutores aumentaram 8,9% em 2022, atingindo 72,7 bilhões de dólares, superando o pico do mercado anterior de 66,8 bilhões de dólares em 2021. Em 2022, as vendas de materiais de fabricação e materiais de embalagem atingiram 44,7 bilhões de dólares e 28 bilhões de dólares,...
Relatório Semi: As remessas globais de wafer de silício caíram no primeiro trimestre de 2023
Em 2 de maio de 2023, o horário da Califórnia nos Estados Unidos, de acordo com o relatório de análise trimestral sobre as bolachas de silício divulgadas pelo Semi Silicon Manufacturers Group (SMG), no primeiro trimestre de 2023, as remessas de Wafer de silício globais diminuíram a 9,0% em que o final de 3265 milhões de polegadas quadradas (msi), 11%, em 11,3%, em 11,3%, em um quintal, em um quinto e 365 milhões de polegadas quadradas (msi), a 11%. ano. Anna-Riikka Vuorikari-Antikainen,...
Em 27 de março de 2023, Califórnia, EUA, semi -declarado no "Relatório de Outlook de Planta de Wafer de 300 mm - até 2026" que os fabricantes globais de semicondutores esperam aumentar a capacidade de produção de bolachas de 300 mm para uma queda histórica de 9,6 milhões por mês em 2026. componentes. Ajit Manocha, presidente e CEO da Semi, disse: "Embora o ritmo de expansão da capacidade para plantas de fabricação de wafer de 300 mm em todo o mundo esteja desacelerando, a forte...
A FAMÍLIA DE PRODUTOS IGBT RC-IGBT NCE40ER65BP INTRODUÇÃO
A família de produtos IGBT desenvolveu muitos ramos diferentes com base em diferentes características de aplicação. O IGBT condutor reverso é um ramo importante. O IGBT de condutores reversos alcança a melhoria do desempenho e a redução de custos integrando engenhosamente o chip de diodo de compartilhamento de corrente no chip IGBT. The common name in the industry for the reverse-conducting IGBT is REVERSE CONDUCTING IGBT, abbreviated as RC-IGBT, also known as SHORT ANODE IGBT, abbreviated as...
Privacy statement: Your privacy is very important to Us. Our company promises not to disclose your personal information to any external company with out your explicit permission.
Fill in more information so that we can get in touch with you faster
Privacy statement: Your privacy is very important to Us. Our company promises not to disclose your personal information to any external company with out your explicit permission.